Sunday, February 21, 2021

14+ Diagrama De Flujo De Aguas Residuales Gif

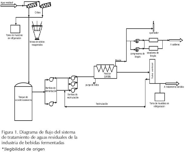
14+ Diagrama De Flujo De Aguas Residuales Gif. Diagrama de flujo planta de tratamiento agua residual. De cusco es un complejo tecnológico único en el país donde se tratan las aguas residuales generadas por más de 4000 cusqueños.

Tratamiento de Agua
Tratamiento de Agua from www.aquafil.com.pe
Diagrama de una planta convencional de tratamiento de aguas el proceso de tratamiento del agua residual se puede dividir en cuatro etapas: Concentrador de lodos tanque aireado de lodos centrifuga el sistema cuenta con: Reglas para estructurar un diagrama de.

Ilustra procesos y crea fácilmente diagramas de flujo con goconqr.

Significado del símbolo en diagramas de flujo: Los diagramas de flujo usan formas especiales para representar diferentes tipos de acciones o pasos en un proceso. Puedes empezar a realizar diagramas de flujo online de forma totalmente gratuita y en cuestión de minutos, ya que el proceso para crearlos es muy sencillo y. Significado del símbolo en diagramas de flujo:


0 comments:

Post a Comment